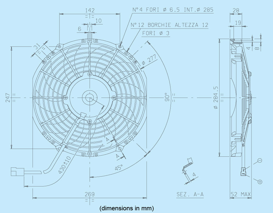
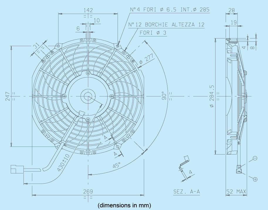
SPAL low profile fans offer industry-leading airflow against even the most demanding cores. Our patented motor ensures that you get the greatest possible airflow in the thinnest possible design. The curved blade design provides a lower noise solution.
Airflow: 796 CFM
Flow Direction: Pull (Air pulls from front face side and out back)
Voltage: 12 Volts
Min Current Draw: 8.0 Amps
Max Current Draw: 9.5 Amps
Weight: 2.2 lbs
- Sealed motor design
- Compatible with all Fan Mounting Kits
- Compatible with all FRH, 185FH, and 195FH wiring kits
